保护 MCU、传感器接口远离电机负载和状况快速变化的危险
投稿人:电子产品
2015-02-18
机器中使用的电机大小不一,有的比手指还小,有的比卡车还大。 无论是在仪表上定位指示器,还是驱动机车,对于需要能够相当快地切换高电压和电流的控制电路来说,这些电感负载会对其造成严重破坏。
检测电机状态时同样如此。 例如,由于随着驱动器波形切换极性和负载而形成的电动势反冲,串联式电流传感器会承受巨大的尖峰和浪涌。 此外,这些电机感应数据必须实时可靠,才能实现更精确的应用,如医用输液泵和给药系统。
本文将介绍一些可用于将电机(及重电感负载)与驱动器和感应电路隔离的技术。 这有助于保护通常敏感的模拟前端,它们在承受较高电压时很容易被损坏。
本文件所引用的所有零件、规格书、指南和开发套件均可以在 DigiKey 网站找到。
时间间隙
最简单的隔离技术实际上是半隔离解决方案。 它基于这样一个事实:当继电器或接触器处于打开位置时,会形成一个与电流回路串联的气隙,具有接近无穷大的电阻。 这是一种很好的隔离形式。
但是,当继电器或接触器切换到“接通”位置时,将不会发生电流隔离。 如果控制板与驱动电源一样参考相同的接地,那么任何噪声影响也会参考相同的接地。 这不仅使接地浪涌干扰控制电路,还会抵消在传感器级使用的任何共模噪声滤波技术效果。
传感解决方案可以使用滤波、衰减、增益和箝位技术来保持非电隔离,但仍受到保护。 例如,由于随着驱动器波形切换极性和负载而形成的电动势反冲,串联式电流传感器可承受巨大的尖峰和浪涌。
在双向感应中,隔离是必须的。 这意味着,电机、传感器和驱动器全部能够以相互参考的方式有效浮动。 实际上,系统将在某一点(如地面)使用并参考一个主要接地。 但是,为了进行实际分析,它们均被隔离。
隔离选项
有几种很好的技术和方法可帮助我们保护驱动器和感应电路。 在设计阶段使用的一种简单方法就是,确保您的设计中存在滞后(图 1)。 该时间窗可防止在使用绝对阈值时发生状态振荡。

图 1:在电机控制回路设计中采用滞后是一种简单而有效的方法,可帮助消除在达到感应阈值时产生的某些打开和关闭震颤。
一种经验证有效的常见技术是光伏隔离,也称为光电隔离。 集成的单芯片器件提供了良好的性能水平,可进行级联以使用低电平逻辑信号来控制非常高的功率水平。
此外,各种有用的输出级(包括数字输出、开集、达林顿复合晶体管、开漏、栅极驱动器以及双向可控硅和 SCR)都集成到了这些隔离器件中。
与变阻器、浪涌抑制器和瞬态抑制器结合使用时,光电隔离是一种很好的技术,使各零件保持高达 50,000 V 的隔离,例如 TT Electronics OPI150 使用轴管结构来处理非常高的电压水平(图 2)。 请注意,在某种情况下,电压会变得足够高并在单片器件上的引脚间产生电弧,特别是在具有细间距的小型封装中。

图 2:为了保持 50,000 V 的隔离,这些光电耦合隔离器需要大约 3 英寸的间隔。 单片式表面贴装封装将在非常高的电压水平进行电弧放电。
另外,单个封装中采用多个隔离器成为单独控制三相电机的有效解决方案。 请注意,所有 LED 驱动器应与隔离式电源轨位于同一侧。 例如,不要使用四通道器件中的三个驱动器来驱动三相电机的线圈,且不要使用第四个驱动器作为转速计接回控制器。 请对转速计使用单独的光电隔离器。
固态继电器也利用光电隔离,并将各种出色特性(如 AC 输出)与过零和电阻控制的版本相集成。
此外,20 mA 至 160 A 的电流范围可直接由逻辑驱动。 例如,Crydom HDC200D160 固态继电接触器。 适合 4 至 32 V 输入,采用 SPST 配置,高达 160 A 的输出电流水平可使用内部 2.5 KV 光电隔离器在“开”、“关”或基于 PWM 的配置中进行切换。 请注意,在全电流条件下即使导通电阻低至 4 mΩ,此零件也需要耗散 100 瓦。
深入了解
光伏隔离除了用于隔离驱动和控制之外,还可用于隔离监控电机速度、加速度、电流、相位角等数据并将之传回的传感器系统。 此时会变得有点困难,因为还会传递模拟信号,而不仅仅是数字开/关控制。
一种可有效使用的技术是压频转换。 一经标准化和线性化,传感器的值便会馈送到压控振荡器,从而促使光电隔离器回到控制器板。 控制器通过累加门控计数来恢复该值。
类似地,也可以使用脉冲宽度调制,而脉冲宽度对应于标准化范围内的值。 PWM 的优势是每个样本都可以表示一个读数。 采用 VCO 方法,门控累加器的响应时间会变得更慢,但却具有使脉冲噪声平均化的优势,因为一个损坏的读数将仅存在一两个错误。
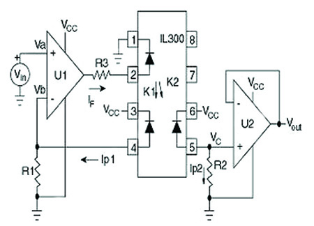
线性光电隔离器不像数字光电隔离器那样常见,但它们确实存在。 例如,Vishay IL300-F-X007 线性光电隔离器。 此零件使用两个检波二极管,一个位于输出级,另一个可在驱动级的反馈环路中使用。 这允许使用运算放大器以线性方式偏置光电隔离器的发射器部分(图 3)。 随着输入信号的增加,保持隔离时的输出电流也会不断增加。

图 3:使用两个紧密配合的由同一光电发射器照亮的光电检测器时,一个可用于线性驱动器反馈回路, 另一个可在保持电气隔离的同时报告相同状态。
证据表明,增强型势垒也是为传感器系统提供高电压隔离的理想选择。Texas Instruments 的 AMC1305x 高精度、增强型隔离式三角积分调制器是集成式传感器系统的良好典范,其设计可提供相当高分辨率模拟电平的单片式隔离(图 4)。 它使用电容式双隔离势垒将输入级与输出级分离,并达到 7,000 V 峰值和 10000 V 的浪涌额定电压,符合多种 VDE、UL 和 CSA 标准。

图 4:在此单芯片隔离式传感器接口和驱动器中使用了一种电容式双势垒隔离技术。 数字滤波器可以 78000 样本/秒的速率提取 16 位分辨率,同时受到高达 7,000 V 的隔离保护。请注意,浮动式电源使感应部分具有浮动负载。
通过在电机相传导路径中使用分流电阻器,它可以获取馈送给三角积分调制器的低电平信号。 该调制器的输出将被馈送回控制微处理器,该处理器可使用数字滤波算法以 78000 样本/秒的速率提取 16 位分辨率。
TI 在其双核 Delfino 处理器中沿用了三角积分滤波器作为实现隔离式电机电流检测算法的主要候选对象,并提供 TMDXDOCK28377D 评估套件来帮助设计工程师。
总结
电机的使用数量是如此众多,每一个设计都有自己的故事,但共同的需求是保护微控制器和传感器接口远离电机负载和状况快速变化的危险。 正如本文所述,有多种优秀的隔离技术可帮助您解决所面临的问题。
如需详细了解本文讨论的零件,请使用文中提供的链接访问 DigiKey 网站上的产品信息页。
免责声明:各个作者和/或论坛参与者在本网站发表的观点、看法和意见不代表 DigiKey 的观点、看法和意见,也不代表 DigiKey 官方政策。